项目

一般

简介

行为

错误 #5914

已关闭

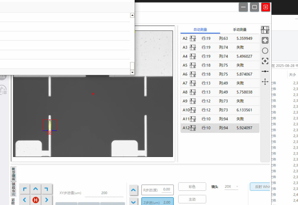
第一个点位跳过检测

谷文静大约 2 个月 之前添加. 更新于 大约一个月 之前.

状态:
已关闭
优先级:
普通
指派给:
类别:
-
目标版本:
开始日期:
2025-08-28
计划完成日期:
% 完成:

0%

预期时间:
机台点位:
全局

描述


文件

跳过点位.png (194 KB) 跳过点位.png 谷文静, 2025-08-28 03:35

谷文静 更新于 大约 2 个月 之前

  • 文件 已删除 (clipboard-202508281130-pua1b.png)

谷文静 更新于 大约 2 个月 之前

  • 文件 clipboard-202508281132-mm5gm.png 已添加

谷文静 更新于 大约 2 个月 之前

  • 文件 已删除 (clipboard-202508281132-mm5gm.png)

谷文静 更新于 大约 2 个月 之前

  • 文件 clipboard-202508281133-4vzqv.png 已添加

谷文静 更新于 大约 2 个月 之前

  • 文件 已删除 (clipboard-202508281133-4vzqv.png)

谷文静 更新于 大约 2 个月 之前

杨冰冰 更新于 大约 2 个月 之前

  • 状态新建 变更为 已解决
  • 指派给杨冰冰 变更为 谷文静

VIS4.3.9_test 11019

谷文静 更新于 大约一个月 之前

  • 状态已解决 变更为 已关闭
行为

导出 Atom PDF