项目

一般

简介

行为

需求 #5853

打开

线阵相机电源适配器支架

刘康明大约 2 个月 之前添加. 更新于 大约一个月 之前.

状态:
新建
优先级:
普通
指派给:
开始日期:
2025-08-22
计划完成日期:
% 完成:

80%

预期时间:
机台点位:
全局
结构部件:
电气配件

描述

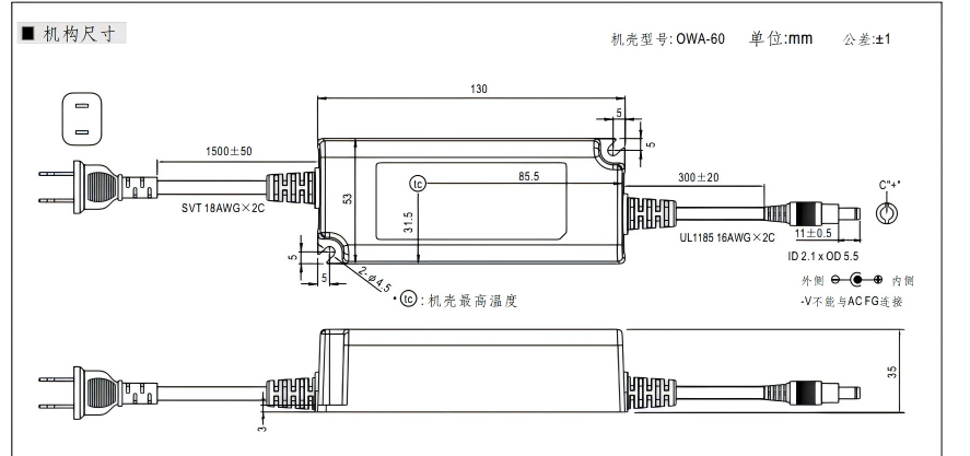
相机电源适配器没有位置固定(Storm3000A的设备可以固定在空板上,Storm3000M的设备没有位置),希望做个支架固定在型材上;


文件

WPS图片(1).jpg (65.8 KB) WPS图片(1).jpg 刘康明, 2025-08-22 02:09
WPS图片(1).png (133 KB) WPS图片(1).png 刘康明, 2025-08-22 02:09
clipboard-202508261118-qyzfa.png (55.2 KB) clipboard-202508261118-qyzfa.png 张兰强, 2025-08-26 03:18
clipboard-202508261118-pukju.png (88.6 KB) clipboard-202508261118-pukju.png 张兰强, 2025-08-26 03:18
clipboard-202508271342-f82ss.png (53.4 KB) clipboard-202508271342-f82ss.png 张兰强, 2025-08-27 05:42

刘军 更新于 大约 2 个月 之前

  • 指派给刘军 变更为 张兰强

张兰强 更新于 大约 2 个月 之前



支架是有加工图纸的,现在再确认一下安放位置。就可以投料

张兰强 更新于 大约 2 个月 之前

  • 文件 已删除 (clipboard-202508261117-pbpyp.png)

张兰强 更新于 大约 2 个月 之前


新支架等待测试

张兰强 更新于 大约一个月 之前

  • 指派给张兰强 变更为 刘康明

加工件已到,请测试效果,谢谢。

行为

导出 Atom PDF